TB 9-6625-2287-35
(5) Repeat technique of (3) and (4) above for remaining calibrator frequency settings
Calibrator output voltage
indications2
Calibrator
Calibrator output voltage
indications1
(mV)
(mV)
frequency settings
(kHz)
Min
Max
Min
Max
10
---
---
95
105
20
90
110
95
105
50
90
110
95
105
100
95
105
95
105
150
95
105
95
105
500
95
105
95
105
1000
95
105
95
105
1AN/URM-145
(ME-247/U).
2AN/URM-145A(ME-247A/U)
(Boonton, Model 91CA).
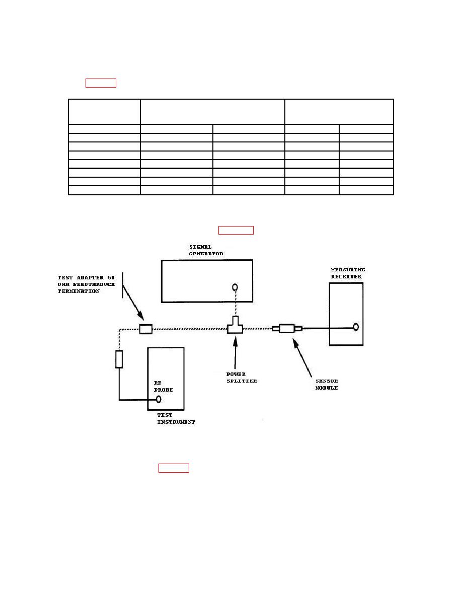
Figure 1. Frequency response -
equipment setup.
(8) Press measuring receiver keys as listed in (a) through (c) below:
(a) Switch the measuring receiver from STBY to ON.
(b) Press the RF POWER key.
(c) Press the blue SHIFT key and the (5) key to measure output in mV.
9