TB 9-6625-396-50
8. Inductor Measurement Accuracy
a. Performance Check
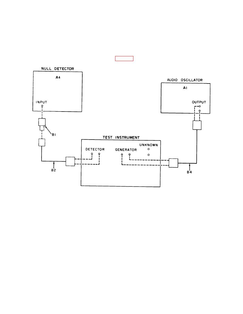
Figure 1. Inductor measurement - equipment setup.
control to minimum.
(3) Connect 100 mH standard inductor (A5d) to UNKNOWN terminals, using
copper wire (B5).
(4) Adjust L switches for 100 mH indication.
(5) Slowly increase audio oscillator amplitude until an indication is obtained on null
detector (A4).
CAUTION
Do not exceed generator voltages listed on front panel of the TI
being tested.
5