Home
Download PDF
Order CD-ROM
Order in Print
Table 3. Frequency Check
Attenuation - TB-9-6695-261-350007
TB-9-6695-261-35 Oscillator Krohn-Hite Model 4100AR-8 Manual
Page Navigation
1
2
3
4
5
6
7
8
9
10
11
TB
9-6695-261-35
Table
4.
Distortion
Check
FREQUENCY
Hz
Distortion
analyzer
MULTIPLIER
pushbuttons
Frequencies
pushbuttons
indications
(%)
1-0-0
0.1
10 Hz
<0.05
1-0-0
1
100
Hz
<0.05
1-0-0
10
1 kHz
<0.05
2-0-0
100
20 kHz
<0.05
1-0-0
1000
100
kHz
<1.0
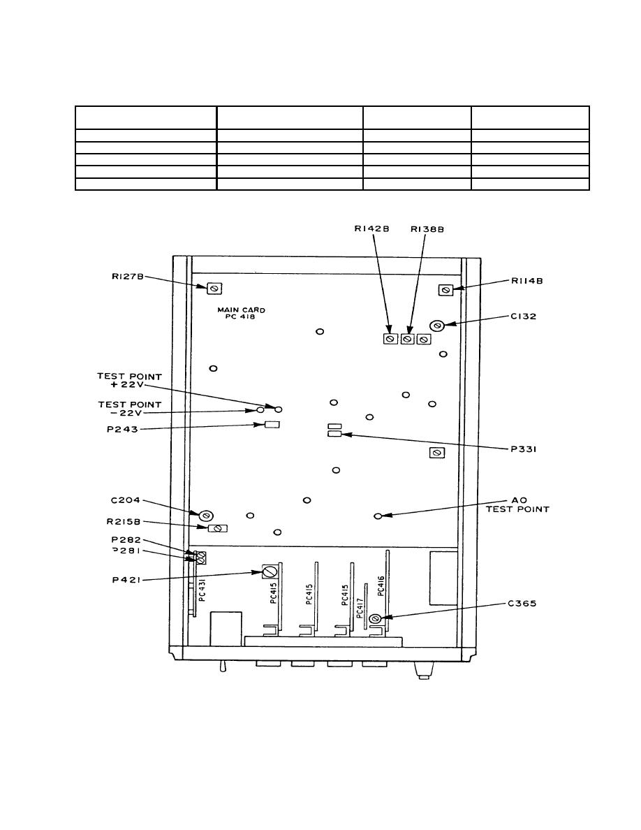
Figure
1.
Test
instrument
-
top
view.
6